

![]() Circuito elettrico ![]() Circuito stampato ![]() Layout componenti |
Nella parte finale dell’articolo a corredo
del progetto di audio attivo per bassa frequenza ho accennato al
fatto che l’elaborazione di un segnale da parte di un filtro
comporta uno scadimento, in termini di effetto
presenza. In altri termini il vantaggio che si ottiene
stringendo la banda passante è compensato da un risultato audio
poco tollerato da un BCL intento a
decifrare identificazioni e contenuti della ricezione. Per
tentare di rimettere a posto le cose, una volta ottenuto lo
scopo preventivato, ecco correre in nostro
aiuto il progetto che presento: si tratta di un potente
amplificatore audio che permette anche la regolazione dei toni,
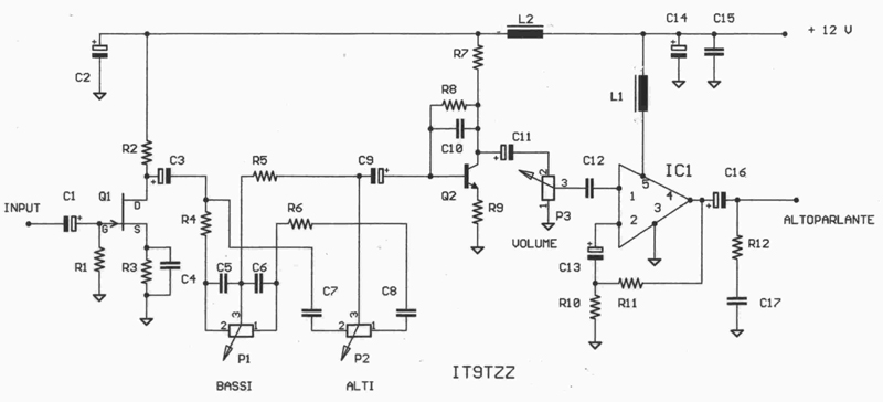
sia bassi che alti. Lo schema è di facile comprensione: in ingresso troviamo un fet in funzione di “ recettore “ anche dei più deboli segnali, grazie alla bassa impedenza di input. A seguire la rete resistiva-capacitiva che opera la regolazione dei toni bassi con P1. A questo punto il segnale, di per se già scadente ( sempre sotto l’aspetto audio ) viene rigenerato da Q2 in veste di preamplificatore, dosato in termini di volume da P3 ed amplificato, generosamente, da IC1. L’alimentazione potrebbe essere portata fino a 15 V con evidente guadagno in termini di potenza in uscita. L’altoparlante potrebbe essere da 2, 4 o da 8 Ω e, anche in questo caso, si noterà la differenza in fatto di resa audio. L’uso dell’amplificatore è facile: connesso all’uscita audio del filtro si regolano a piacimento P1 e P2 per la risposta desiderata. L’amplificatore potrebbe servire, alla grande, per amplificare i segnali audio degli apparecchi radio anche professionali. Personalmente lo uso per migliorare l’audio di un FRG-7000 che, sarà un bell’apparecchio ormai entrato a far parte della leggenda, ma che, come tutti gli Yaesu, ha un limite negativo imperdonabile nella parte audio. L'alimentazione potrebbe essere portata fino a 15 V con evidente guadagno in termini di potenza in uscita. Il tutto andrebbe inserito in una scatola metallica che funge da schermo verso i segnali esterni indesiderati; i collegamenti tra i potenziometri e lo stampato dovranno essere il più corti possibili; nel caso di P3 sarebbe auspicabile l’uso di un cavetto coassiale. |
|
Elenco componenti C1= 47 μF Elettrolitico C2 = 100 μF Elettrolitico C3= 10 μF Elettrolitico C4= 10 nF C5= 47 nF Ceramico C6= 10 nF Ceramico C7= 22 nF Ceramico C8= 10 nF Ceramico C9= 10 μF Elettrolitico C10= 10 nF Ceramico C11= 10 μF Elettrolitico C12= 220 nF Ceramico C13= 470 μF Elettrolitico C14= 100 μF Elettrolitico C15= 100 nF Ceramico C16= 2200 μF Elettrolitico C17= 100 nF Ceramico L1= VK 200 L2= VK 200 P1= 47 k P2= 47 k P3= 22 k Q1= BF245 FET Q2= BC109 IC1= TDA2003 R1= 100 k R2= 1 k R3= 4,7 k R4= 10 k R5= 3,9 k R6= 1 k R7= 4,7 k R8= 1 M R9= 470 R10= 10 R11= 220 R12= 1 |
|